T D

Fragebogen     Pneumatisch-mechanischer Spannkopf

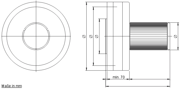
Hülseninnen-

mm

Größter Ballen:

Kleinster Ballen:

Hülsenaussen-

mm

Länge

mm

Länge

mm

Hülsenwerkstoff

 

Aussen-

mm

Aussen-

mm

Wickelmaterial

 

Gewicht

kg

Gewicht

kg

 

Abrollung

Warenzug min

N

Geschwindigkeit

m/min

 

Aufrollung

Warenzug max

N

Notstop

sek.

Vorhandene Druckluft

bar

 

Drehbare Lufteinfürung

 

Festanschluß

 

Luftventil im Shaft

  axial

 

radial

 

 

Firma:

 

Sachbearbeiter:

 

Telefon:

 

email:

 

Fax:

 

Absenden Drucken